Home
JAQForum Ver 24.01
Log In or Join  
Active Topics
Local Time 12:33 17 May 2026 Privacy Policy
Jump to

Notice. New forum software under development. It's going to miss a few functions and look a bit ugly for a while, but I'm working on it full time now as the old forum was too unstable. Couple days, all good. If you notice any issues, please contact me.

Forum Index : Electronics : Inverter Start-Stop Controller

Author Message
Solar Mike
Guru

Joined: 08/02/2015
Location: New Zealand
Posts: 1204
Posted: 02:20am 16 Apr 2026
Copy link to clipboard 
Print this post

Just about to wire up another low frequency 48v inverter to our 3 banks of batteries; the inverter has no internal mechanism to charge up its large electro's in a safe manner other than drawing > 1000 amp surge and possibly damaging the main contactor.

A pre-charge arrangement is required, although its a simple concept armed with a 25r resistor and a switch to charge the cap's up prior to turning the thing on, I cannot expect other non qualified people to do this. We have a BMS on each battery bank each with a "On Load" relay isolated contact, this pulls in if all cells in the bank are within voltage set limits.

What I want is an interface, that connects to the 3 BMS's, an external on\off switch, and the run switch on the inverter front panel; this will allow turning on\off the main inverter in a controlled manner from a central point. Should the batteries go in-out of spec, start or shutdown the inverter prior to any battery supply main contactor just dropping out.

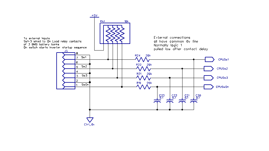
Threw this together yesterday, thought it may be useful to some others, pcb is 100x100mm.


Power supply and connection to inverter front panel switch.




Voltage sensing of main battery bank and inverter +ve input, supply caps.



Inputs to BMS relay contacts and central on\off switch



Pre-Charge mosfet high side switch and main DC contactor



PCB 100 x 100mm:





I haven't shown the cpu in the schematic, Picaxe 14M2, you can tell where it connects to, nor have I written any software for it. Anyone want the gerber files, send me a PM.

Cheers
Mike
Edited 2026-04-16 12:22 by Solar Mike
 
Godoh
Guru

Joined: 26/09/2020
Location: Australia
Posts: 654
Posted: 09:44pm 18 Apr 2026
Copy link to clipboard 
Print this post

Again Mike, so much work in that. I hope that it all works fine.
I was wondering if it would have been possible to use a timer and relay to do the same thing.
When the inverter is switched on first then the timer could bring in a changeover relay to charge the caps then once the timer drops out the relay then changes to put the inverter in run mode.
I know that you know what you are doing, so probably thought of something like that already.
I was given a Selectronics inverter, I haven't connected it up yet but it has a set of terminals on it for pre charge.
I haven't bothered to look yet at a diagram to see what those terminals do, but will when and if i need to connect it up.
Cheers
Pete
 
Solar Mike
Guru

Joined: 08/02/2015
Location: New Zealand
Posts: 1204
Posted: 02:38am 19 Apr 2026
Copy link to clipboard 
Print this post

Pete, the last inverter build I did was a 24v system and I used those 24v plugin Omron timers as I had a box of them 30 years old sitting in the shed. They worked great; however this build is for a 3 bank 48v system, so the timers would require another psu to run them, or I could purchase 12v versions. We used to use those timers in Mains\Diesel generator main switch boards where commercial ancillary logic voltages are 24v.

I try to standardize all DIY ancillary electronics to run off 12v, this coupled with logic to interface to 3 BMS's and the inverter front panel switch, seemed easier to just design a PCB for the job and do the timing logic in software, plus its re-usable for the next inverter project.

Cheers
Mike
 
Print this page


To reply to this topic, you need to log in.

The Back Shed's forum code is written, and hosted, in Australia.
© JAQ Software 2026