Home Page
  Home  |  Contents  |  Forum
Print



Variable Power Supply  

After a multimeter, a variable power supply ( also called a adjustable power supply or bench power supply ) is one of the most useful bits of test gear you can have in your workshop. The power supplies output voltage can be adjusted over a wide range from less than 2 volts to over 30 volts, depending on how its built.

Variable power supplies are used to supply power to a circuit we are repairing or developing. As the supplies output is adjustable, we can use it to replace batteries or plug packs. When developing or testing renewable energy circuits, a variable power supply can be used to simulate a battery that is charging or discharging, and we use this for setting up the controller and dump load.

You can buy a variable power supply from a electronics outlet like Dick Smith, Jaycar or Radio Shack. Or you can build your own.

Below we look at two variable power supply circuits. Both use components you should find at your local electronics parts outlet.

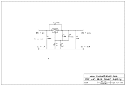
The first circuit we'll look at is the LM317 based voltage regulator. The LM317 chip can supply up to 1.5 amps, has short circuit and overheating protection. The maximum input voltage is 40 volts DC, and it will adjust down to 1.2 volts. The LM317 should be mounted onto a heat sink.

LM 317 datasheet PDF

LM317 variable power supply PDF

Pete ( Downwind on the forum ) has put together a circuit for a more advanced adjustable power supply using a LM723 ic. As well as a adjustable voltage output, this circuit includes a adjustable current limit. The adjustable current limit means you can limit the current flowing through the circuit under test, and protects the power supply from a short circuit. 4 power transistors increase the power supplies current capability to 10 amps. The power transistors should be mounted on a heat sink.

LM723 datasheet PDF

LM723 variable power supply PDF

Both of the circuits above need a DC power supply, and that supply needs to be at least 3 volts above the maximum voltage you want from your variable power supply. So if you want a power supply that can be adjusted from 1.2 volts to 12 volts, you will need a DC supply of 15 volts or more ( up to 40 volts max ),

Traditionally we would use a mains transformer to convert the mains voltage ( 240vac or 110vac ) down to something usable like 12 or 24 volts AC. Then we use a bridge rectifier to convert the AC to DC, then a few filtering caps to smooth the DC. We also need a fuse for the AC mains, and a box to mount it all in so little fingers don't get zapped.

 

But, in this modern throw away society, most of us will have a few orphaned power supplies ( plug packs, wall warts ) that are no longer used. These power supplies are usually switch-mode, efficient, fused and in a safe little box.

Below is an example, its from a long dead laptop computer. A closer look at its tag shows a output voltage of 20v and maximum current rating of 4500ma ( 4.5A ). Now that's more than enough for our variable power supply. Using either of the circuits above would work to give me a 1.2 to 17volt variable power supply.

You can also connect more than one orphaned power supplies in series for a higher voltage, eg two 12v supplies in series would give a 24v supply, but note, the maximum current will only be as good as the power supply with the lowest amp rating.

Its also a good idea to add a volt and amp meter to the power supply, the articles below should get you started.

LCD Panel Meter


How to make a volt and amp meter for your battery bank.

Expanded Scale Voltmeter


Adding a expanded scale voltmeter to my old battery charger.

© TheBackShed 2011